什么是 ISW臥式離心泵
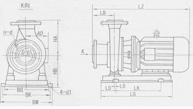
ISW、ISWR、ISWH、ISWD、ISWRD、ISWHD、ISWYD系列臥式單級單吸管道離心泵根據IS型離心泵與立式泵的獨特結構組合設計,并嚴格按照標準ISO2858和較新的國家管道離心泵標準JB/T53058-93進行設計制造的產品。該泵采用國內水力模型優化設計而成。同時根據使用溫度、介質等不同在ISW型基礎上派生出熱水泵、高溫泵、化工泵、油泵等,是目前國家標準定型推廣產品。
ISW、ISWR、ISWH、ISWD、ISWRD、ISWHD、ISWYD系列臥式單級單吸管道離心泵根據IS型離心泵與立式泵的獨特結構組合設計,并嚴格按照標準ISO2858和較新的國家管道離心泵標準JB/T53058-93進行設計制造的產品。該泵采用國內水力模型優化設計而成。同時根據使用溫度、介質等不同在ISW型基礎上派生出熱水泵、高溫泵、化工泵、油泵等,是目前國家標準定型推廣產品。
ISW型臥式離心泵根據IS型離心泵與立式泵的結構組合設計,并嚴格按照標準ISO2858和較新的國家管道離心泵標準JB/T53058-93進行設計制造的節能產品。該泵采用國內水力模型優化設計而成。同時根據使用溫度、介質等不同在ISW型基礎上派生出熱水泵、高溫泵、化工泵、油泵等,是目前國家標準定型推廣產品。



上一條: IS、IR型單級單吸離心泵
下一條: ISG系列單級單吸立式離心泵